北京某醫院地下防水施工方案
北京某醫院地下防水施工方案
1.編制依據
(1)某某醫院綜合醫療樓工程施工圖紙及設計洽商變更;
(2)GB50300-2001《建筑工程施工質量驗收統一標準》;
(3)GB50208-2002《地下防水工程質量驗收規范》;
(4)GB50108-2001《地下工程防水技術規范》;
(5)建筑構造通用圖集《地下工程防水》(XJ006);
(6)某某醫院綜合醫療樓工程施工組織設計。
2.工程概況
表1 工程概況
| 序號 | 項目 | 內 容 | |||||
| 1 | 工程名稱 | 某某醫院綜合醫療樓工程 | |||||
| 2 | 工程地址 | 北京市某區某大街 | |||||
| 3 | 設計單位 | 北京市某設計院 | |||||
| 4 | 建筑規模 | 層數 | 地下2層\地上19層 | 建筑面積 | 54195m2 | 建筑總高 | 81.60m |
| 5 | 防水設計 | 防水等級 | 地下工程防水等級為一級;不允許滲水,結構表面無濕漬 | ||||
| 防水措施 | 底板 | 施工縫 | 后澆帶 | ||||
| C40S8防水混凝土兩層SBSII(δ=3mm)防水卷材 | 遇水膨脹止水條鋼板止水帶(δ=3mm) | 膨脹混凝土遇水膨脹止水條附加卷材防水 | |||||
本工程地下室底板及側墻防水采用SBSⅡ型3mm+3mm厚改性瀝青卷材與防水混凝土(S8)共同防水,地下室四周砌120磚墻保護。剛性防水混凝土采用抗滲劑HE—O防水混凝土,數量按設計抗滲混凝土等級配合摻量計算,以提高地下室防水工程質量。
3.施工部署
(1)總體部署。根據現場情況,底板平面部位的防水卷材采用點粘法,外墻防水采用滿鋪法,地下室外墻防水采用外防外貼法施工,砌120保護墻?;A底板砌240磚胎墻,采用外防內貼法施工。
勞動力保證在40人。防水施工操作人員須有防水專業上崗證書。在施工現場設材料專用庫房,存放地點及卷材和膠粘劑等輔助材料要有標識。防水層鋪粘不得在雨天、大風(五級風以上)天氣做防水施工。
(2)施工準備。
1)技術準備。提前編制防水施工方案,現場責任工程師提前編制技術交底,及時組織對現場施工操作人員進行針對性現場說明及指導(如陰陽角做法及搭接密封等節點處理)。所有防水施工人員須具有北京市頒發崗位證。
2)材料準備。
①防水卷材材料準備。本工程柔性防水采用的材料為彈性體SBS II型復合胎(3mm+3mm)防水卷材,采用的材料和工藝在類似工程中應用過并取得良好的防水效果,經復檢及見證取樣合格。卷材防水施工材料包括彈性體SBS II型復合胎(3mm+3mm)汽油、SBS溶劑膠。材料進場后,應附帶產品出廠合格證書,質量檢測報告,并通過現場抽檢復驗合格方可使用。防水材料應嚴禁日曬雨淋,并遠離其他作業面,并備有足夠滅火器及設立防火標識。在施工中進場時應輕拿輕放,并注意現場材料的看護。
進場材料抽樣復驗應符合下列規定:同一品種、牌號和規格的卷材,抽驗數量為:大于500卷抽取5卷;100~499卷抽取4卷;小于100卷抽取2卷。同時按照規范要求進行見證試驗,取樣數量為驗收批數量的30%。
將抽驗的卷材開卷進行規格和外觀質量檢驗,全部指標達到標準規定時,即為合格。其中如有一項指標達不到要求,應在受檢產品中加倍取樣復檢,全部達到標準規定為合格。復檢時有一項指標不合格,則判定該產品外觀質量為不合格。
②防水混凝土材料要求(采用商品混凝土)。水泥強度等級不應低于32.5級,不得使用過期或受潮結塊水泥;碎石或卵石的粒徑宜為5~40mm,含泥量不得大于1.0%,泥塊含量不得大于0.5%;砂宜用中砂,含泥量不得大于3.0%,泥塊含量不得大于1.0%;拌制混凝土所用的水,采用不含有害物質的潔凈水;鄭州賽諾建材的YYM外加劑的技術性能,應符合國家或行業標準一等品及以上的質量要求;粉煤灰的級別不應低于二級,摻量不宜大于20%;每立米防水混凝土中各類材料的總含堿量不得大于3kg。
③防水卷材施工機具準備(表2)。
表2 施工機具
| 序號 | 機具名稱 | 規格 | 備注 |
| 1 | 噴燈 | 普通 | 熱熔卷材用 |
| 2 | 滅火器 | 普通 | 以備消防 |
| 3 | 平鏟、掃帚 | 普通 | 清掃基層 |
| 4 | 粉筆 | 普通 | 用于劃線 |
| 5 | 剪刀、壁紙刀 | 普通 | 裁減卷材 |
| 6 | 卷尺 | 普通 | 丈量尺寸 |
| 7 | 滾筒、刮板 | 普通 | 壓實卷材、涂刷底油 |
3)在基礎底板后澆帶位置處設二個集水坑400×500×300,2~10軸和E~P軸各1個,在集水坑兩邊墊層上找2%坡。
4)基層要求:基層應平整光滑、無起砂、起皮、空鼓、砂眼及凹凸不平等現象,保持清潔、干燥,含水率不大于9%,。平整度可用2m靠尺檢查,最大間隙不大于5mm。陰陽角、轉角或有預埋件等處應做成圓弧或八字角?;鶎討杉追?、施工單位驗收后,方可進行防水施工。
4.施工工藝
(1)地下室柔性防水施工工藝
1)基礎底板柔性防水工藝流程:
墊層施工→砌240磚胎模→基層處理→涂刷底油→附加層施工→卷材鋪貼→防水層驗收→防水保護層施工。
采用分段流水方式組織防水施工。根據現場實際施工情況,底板防水施工以后澆帶為界劃分三個流水段施工。完成一個流水的墊層施工后,待基層比較干燥,含水率小于9%時方可進行防水層施工。施工完畢組織防水驗收并做C20防水保護層,謹防防水被破壞。
2)基礎磚胎模柔性防水工藝流程:
砌240磚胎模→抹1︰3砂漿找平層→涂刷底油→附加層施工→卷材鋪貼→防水層驗收→抹水泥砂漿保護層,具體參照鄭州賽諾建材的使用指南
在混凝土墊層上距底板結構外皮30mm(防水找平層+防水層)處放施工線,進行磚胎模砌筑。結構外墻防水層外側用1:3水泥砂漿砌筑耐久性240 磚保護墻,高度從底板混凝土上皮標高向上一皮磚。另砌兩皮磚作臨時保護墻,水泥砂漿及石灰砂漿抹面后再做防水,將防水甩頭至磚墻外,然后再砌筑兩皮磚做臨時性保護墻。保護墻內表面用1:3水泥砂漿抹面,臨時性保護墻用石灰砂漿砌筑,并用石灰砂漿抹面。

圖1 基礎底板防水施工做法示意
3)地下室外墻柔性防水工藝流程:
基層處理→涂刷底油卷材鋪貼→附加層施工→防水層驗收→防水保護層施工。
待地下室外墻拆模后,對其表面進行處理。用鄭州賽諾建材的YYA特種防水抗滲漿料抹平穿墻螺桿孔洞,對墻大角及墻底部等陰陽角處理成圓弧,表面浮漿、起砂等打磨干凈。

圖2 地下室外墻防水施工做法示意

圖3 地下室外墻防水節點示意
4)柔性防水施工工藝:
①基層處理、驗收。防水施工前將基層灰疙瘩、浮土用平鏟、掃帚清理干凈并驗收。
②涂刷底油。在清理干凈的防水基層上涂刷一道冷底油,均勻不漏底,等底油大約12h以上(或手摸不沾手)達到干燥程度方能進行下一道工序。
③節點處理。待底油干燥后,將節點(如局部陰陽角、后澆帶等)進行附加增強處理,寬度不小于500mm;附加層應為SBS卷材,用噴燈熱熔在防水面上,附加層不能有空鼓翹邊現象,陰陽角附加層在大面積施工前完成,在附加層整個施工完畢后應有質檢人員檢查合格后,報請甲方檢驗合格,進行大面積施工。

圖4 三面角的油氈鋪設法
(a)陰角的第一層油氈鋪貼法(b)陰角的第二層油氈鋪貼法(c)陽角的第一層油氈鋪貼法
1—轉折處油氈加固層;2—角部加固層;3—找平層;4—油氈
④基礎底板平面卷材鋪粘第一層改性瀝青防水卷材(點鋪法)。在彈好的邊線上裁剪鋪卷材,鋪卷材時,一人從鋪粘起始端開始用汽油噴燈烘烤卷材,一人緩慢向前滾鋪熔好的卷材,隨后一人手持壓滾滾壓卷材排出空氣,將相鄰兩卷卷材搭接且搭接方向一致。第一層卷材熱熔封邊,將卷材邊縫用壓鏟輕輕掀起,手持噴燈從接縫處斜向烘烤卷材,熱熔后用壓鏟抹壓一遍至封口密實。
⑤鋪粘第二層改性瀝青防水卷材。第一層卷材鋪粘完畢后自檢合格并報甲方驗收,合格后方可鋪粘第二層卷材,按順序鋪好后,一人從一頭卷起,然后點燃噴燈,等15min燈化后,距卷材100mm左右用噴燈均勻加熱卷材及基層,待卷材表面熔化后,隨即向前滾動卷材,滾壓時不要將卷材卷入空氣和異物,一定要壓平壓實,兩幅卷材短邊和長邊搭接寬度均不應小于150mm,上下兩層和相鄰兩幅卷材接縫應錯開1/3~1/2幅寬,上下層卷材不得相互垂直鋪貼。在立面與平面的轉角處,卷材的接縫應留在平面上,距立面不應小于600mm。 卷材未冷涼之前,用開刀把邊封好。

圖5 施工示意圖
⑥基礎底板立面卷材鋪貼。待墊層施工完畢后,先在底板外側砌筑240磚胎模,磚胎模高出底板950mm,主樓部分高出底板1550mm,墻內側抹灰找平后,將墊層防水層粘貼至墻頂,用磚或木板壓實,然后做防水保護層。在正式鋪貼卷材之前,先在立墻與平面交接處做附加層處理,附加層寬度不小于500mm,立面和平面各鋪250mm,鋪貼卷材應先鋪平面,后鋪立面,交接處應交叉搭接。從底面折向立面的卷材與永久性保護墻的接觸部位,應采用空鋪法施工。為避免防水保護層空鼓開裂,應在防水層上用膠灰拉毛或粘粗砂。
⑦地下室外墻卷材鋪貼。采用外防外貼法施工,待地下室結構施工完畢后,拆除120高臨時墻進行地下室外墻防水施工。將卷材接頭剝出,清除干凈卷材表面浮灰及污物,注意切勿將卷材損壞,如卷材有局部損傷,應及時進行修補。在地下室外墻滿涂底子油后,將卷材牢固地滿粘貼在墻體上。卷材應錯槎搭接,接槎處防水卷材搭接不小于300mm,兩層卷材應錯茬接縫,上層卷材應蓋過下層卷材。
⑧質量檢驗、驗收SBS防水層。施工完成整個工序后,由有防水專業作業班組自行檢查,檢驗卷材搭接邊和卷材上是否有破損或搭接不夠之處,如果發現應及時修補,然后報責任工程師及質檢員檢查驗收,最后報甲方驗收,合格后方可進行下道工序施工。卷材防水層的施工質量檢驗數量,應按鋪貼面積每100m2抽查1處,每處10m2,且不得少于3處。
⑨防水卷材的保護。平面防水層用40mm厚C20的細石混凝土作保護層,標高至底板底標高。地下室立面防水保護采用1:3水泥砂漿砌筑120mm保護墻。
(2)鋼筋混凝土自防水施工。
1)鋼筋、模板及機電預埋等工序完成,辦理隱檢、預檢手續。注意檢查穿越外墻或底板的螺栓、管件要加焊止水環或防水套管。止水環須滿焊,環數至少一環。并將落在模板內的雜物清理干凈。根據施工方案,做好技術交底。
2)施工要點。
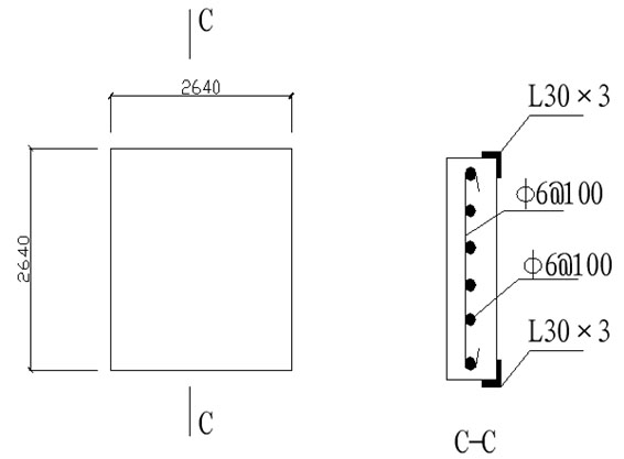
①基礎底板混凝土澆筑時,在地下室外墻處留置施工縫。地下室底板及地梁應一次整體澆筑至地梁頂面以上?;A底板混凝土澆筑時,在地下室外墻處留置施工縫。施工縫留置時,止水鋼板連續布置,水平縫和垂直縫連續交圈,接口處采用雙面焊,保證焊縫密實。止水鋼板開口朝向迎水面。

圖6 外導墻鋼板安裝示意

圖7 鋼板止水帶加工示意(3mm厚)

圖8 基礎底板后澆帶防水施工做法示意

圖9 立墻、頂板變形縫處防水卷材做法

圖10 底板變形縫處防水卷材做法
②地下室外墻一層、二層水平和垂直施工縫采用鋼板止水帶(δ=3mm)留置。
③固定模板用的螺栓穿過混凝土結構時,在螺栓上加焊止水環,止水環必須滿焊,止水環直徑80mm,環數至少一環。
④防水混凝土須采用高頻機械振搗密實,振搗時間宜為10~30s,以混凝土泛漿和不冒氣泡為準,應避免漏振、欠振和超振。
⑤防水混凝土終凝后應立即進行養護,養護時間不得少于14d。連續澆筑混凝土每500m3應留置一組抗滲試件(一組為6個抗滲試件),且每項工程不得少于兩組。
(3)后澆帶防水施工。底板后澆帶處水平防水做法采用遇水膨脹止水條。墻體后澆帶采用鋼板止水帶,在外墻后澆帶外側焊接80mm厚預制板,在預制板上做防水,再砌120保護墻(詳見圖11~圖14)。

圖11 后澆帶處防水做法示意(外墻外側、抗壓板處)

圖12 后澆帶防水做法示意(外墻外側、無抗壓板處)

圖13 預制板加工示意

圖14 預制板加工示意
5.質量控制
(1)所有材料的材質證明須齊全,并抽檢、復檢,其技術性能指標須符合有關標準規定和設計要求。
(2)SBS卷材防水層施工要嚴格遵照施工方案施工。
(3)SBS卷材防水施工搭接為150mm。找平層平整度用2m靠尺和塞尺檢查;面層與直尺的最大空隙不得大于5mm,空隙平緩變化,每米長度內不多于一處。
(4)卷材與基層粘貼牢固,封口(收口)嚴密,無皺褶、翹邊等現象。并符合實際及施工要求。
(5)底板、外立墻應嚴格控制含水率,以保證防水層的正常施工。
(6)如遇雨天或五級風以上天氣嚴禁防水施工。
6.成品保護
(1)為保護鋼筋、模板尺寸位置正確,混凝土澆筑時要搭好操作平臺或跳板,不得踩踏鋼筋,碰撞模板。在拆?;虻踹\其他物件時,不得破壞施工縫處止水帶或止水條。
(2)保護好穿墻管、電線管、電門盒及預埋件等,避免混凝土澆筑時移位。
(3)地下卷材防水層部位預埋的管道,在施工中不得碰損和堵塞雜物。
(4)已鋪貼好的卷材防水層,加強保護措施,從管理上保證不受損壞。
(5)防水層施工完成后,應及時做好保護層、保護墻。
(6)施工中不得污染已做完的成品。
(7)已鋪粘好的底板防水卷材要及時施工保護層,在保護層施工之前不得進行其他工序施工,且不得穿帶釘的鞋在其上行走。
7.安全、環保及文明施工措施
(1)卷材堆放時直立,高度不得超過兩層,并不得傾斜或橫壓,短途運輸平放不得超過四層。
(2)膠粘劑用密封桶包裝,儲存在陰涼通風的倉庫內,嚴禁接近火源和熱源。
(3)防水卷材等材料應存放于專人負責的庫房,嚴禁煙火并應放置醒目的標示,應有防火措施及滅火器材。
(4)進入施工現場施工人員須經過“三級安全教育”并持安全操作上崗證上崗。施工人員作業時禁止吸煙、打鬧、亂竄。
(5)進入施工現場的施工人員須戴安全帽。在進行外立墻防水施工時應配戴安全帶,并注意高空墜物。
(6)現場施工嚴禁煙火,在施工底板及外立墻柔性卷材時現場應配備必要的滅火器材,并派專人看護,以防火災發生。
(7)雨天、五級風(含五級)以上均不得施工(通過收聽天氣預報來判斷)。操作時要注意風向,防止下風操作人員中毒、受傷。
(8)卷材運輸及存儲時立放,嚴禁煙火,堆放處要遠離熱源及易燃品。存儲在通風室內避免日曬和接近熱源。
(9)在澆筑細石混凝土保護層時,運送混凝土小車的鐵腿根部須用橡膠卷材墊好,并要捆綁牢固,避免小車鐵腿損壞卷材防水層。如發現防水層被損壞,須修復后,才能澆筑細石混凝土保護層。
(10)在綁扎基礎底板鋼筋前,底板外側防水用竹膠板擋好,澆筑底板混凝土時,設專人負責取出,以防綁扎鋼筋或澆筑混凝土時破壞底板外側防水層。
鄭州賽諾建材有限公司
電話:400-0371-713 m.zdweidun.com.cn








