某工程懸挑梁裂縫原因分析及思考
某工程懸挑梁裂縫原因分析及思考
齊元榮 魏曉東 陶化慶 劉文祥
(山東省建筑設計研究院鑒定加固設計所,濟南 256100)
摘 要:結合某廠區內一出現裂縫的懸挑梁,通過對比現行混凝土結構設計規范中的混凝土梁及牛腿抗剪承載力公式,提出對荷載較大且剪跨比1<λ <1.5的懸挑梁,其抗剪承載力需參照牛腿斜裂縫控制要求進行計算。
關鍵詞:剪跨比 懸挑梁 牛腿 裂縫控制
1 工程概況
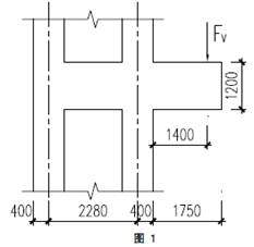
菏澤某工業廠區內焦化工程,鋼筋混凝土框架結構,共二層,無樓板,上部結構僅有梁柱構件。上層梁支承設備管道,下層懸挑梁支承攔焦車的軌道梁,懸挑梁截面尺寸為450x1200mm,自柱邊挑出尺寸為1750mm,軌道梁受力中心點距柱邊為1400mm,Fvk=800kN,受力簡圖如圖1所示。鋼筋混凝土設計強度等級為C35,懸挑梁箍筋為Ф10@100(4)。該工程設計完成日期為2010年9月,竣工日期為2011年3月,同年8月投入使用,挑入不久后就發現懸挑梁開裂,裂縫形態如圖2所示。經現場檢測后,裂縫產生原因已排除混凝土強度及鋼筋設置不滿足設計要求。


即混凝土部分承擔的抗剪力約占總抗力的44%。按照現行混凝土結構設計規范中關于牛腿裂縫控制.
2 裂縫原因分析
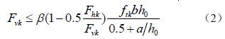
從圖2所示裂縫形態看,該裂縫屬斜壓破壞,抗剪承載力不足所致。根據現行混凝土結構設計規范斜截面承載力計算公式(如下)進行復核計算,

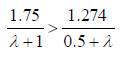
結果卻表明,按(1)計算的抗剪承載力滿足荷載要求。計算時取剪跨比λ =1.5,由公式右端第一項要求計算公式(如下)進行復核計算,

結果表明,按(2)式計算的抗剪承載力遠遠不能滿足荷載要求。計算時取Fhk=0,按(2)式計算可保證斜裂縫寬度不超過0.1mm。
在本工程中,懸挑梁受力幾乎全部為軌道梁傳來的集中荷載,(1)式可表達為:
![]()
(2)式中支承吊車梁時β =0.65,又Fhk=0,(2)式進一步表達為:
![]()
(4)
且軌道梁傳來的集中荷載幾乎全部為活荷載,活荷載分項系數為1.4,即
;混凝土抗拉強度設計值與標準值之間存在
,將此兩式代入(4)式,可得到
(5) 比較第(3)式中第一項與第(5)式,當1<λ <1.5時,
這說明按(3)計算時僅混凝土承擔的抗剪承載力已經大于按牛腿裂縫控制所得出的承載力。而上文中提及本工程中混凝土部分承擔的抗剪力約占總抗力的44%,其余大部分是由箍筋承擔的。如果按照梁的抗剪承載力為控制條件進行設計,不以斜裂縫寬度為控制條件,將產生很寬的斜裂縫甚至斷裂。
本工程中λ=1.21,從裂縫形態看,受力機理更接近于牛腿,設計時只按照梁的抗剪承載力為控制條件,未控制裂縫寬度,是本工程懸挑梁裂縫產生的原因。
3 啟示及思考
3.1 現行混凝土結構設計規范中對牛腿的定義為
,對于
的懸臂梁不能劃分到牛腿的范疇內,但如果僅按照(1)式進行斜截面承載力計算,不進行斜裂縫寬度驗算,特別是在工業建筑中荷載較大時,會帶來極大的安全隱患;由于現行混凝土結構設計規范沒有規定斜截面裂縫計算公式,故本文建議對荷載較大且剪跨比1<λ<1.5的懸挑梁,應參照牛腿裂縫控制要求來合理選取懸挑梁截面尺寸。
3.2 對荷載較大且剪跨比1<λ<1.5的懸挑梁,特別是挑梁尾部有集中力作用時,應參照牛腿設置水平箍筋及彎起鋼筋,彎起鋼筋要求“宜采用HRB400或HRB500級熱軋帶肋鋼筋,并使其與集中荷載作用點到牛腿斜邊下端點連線的交點位于牛腿上部L/6~L/2之間的范圍內,L為該連線的長度。”水平箍筋及彎起鋼筋能有效減緩或阻止斜截面裂縫的開展。
基于以上兩點,本工程的加固處理方案也明確為(1)在原懸挑梁下部增大截面,使其滿足牛腿裂縫控制要求;(2)在原挑梁兩側粘貼豎向及橫向鋼板,作用等同于水平箍筋及彎起鋼筋,阻止斜截面裂縫的繼續開展。具體實施的加固方案如圖3所示,加固處理后滿足軌道梁荷載要求,運行良好至今,同樣說明本工程加固方案正確,達到了良好的加固效果。

鄭州賽諾建材有限公司是由具有豐富大型跨國公司工程服務背景的技術團隊創建,是近年來建材領域迅速崛起的一支新軍。自成立之日起就一直致力于研發高端工程材料,提供混凝土、磚石結構建筑物的防火、保溫、隔熱、防水、防腐、滲水、滲漏檢測、加固及工業地坪的咨詢、施工、維護等一體化服務,以其較高的性價比,創造性地解決了很多工程難題,受到工程界的普遍歡迎和好評。
鄭州賽諾建材公司開發的背水一噴靈特種漿料,因其很高的粘結強度,抗滲性及高強度,高密度,特別適合地下工程滲漏的治理,無需把回填土挖開,只需在內部簡單噴涂一下,即可消除滲漏,大大提高的滲漏治理的效率,提高的速度,降低了維護成本,尤其適合地下磚墻滲漏的治理.
鄭州賽諾建材公司引入現代設計方法中的冗余設計理念,向最好處努力,向最壞處著想,針對目前,滲漏多發的現象,開發的MD改性聚合物防水涂料,具有一次施工,同時實現剛柔二重防水的特點,沒有搭接縫,耐長期水泡,即使柔性防水層被破壞,也不會漏水,更不會竄水,具有裂紋的自動修復功能,大大降低了滲漏的發生的概率;即使混凝土基面被嚴重深度破壞,造成滲漏,但因為不會竄水,維修也很簡單易行。避免防水系統整體崩潰的現象的發生。該產品尤其適合新建工程防水施工,大大提高防水的可靠性和安全性,防微杜漸,在項目初期,防漏于為然,是打造高品質的無滲漏工程理想選擇。
鄭州賽諾建材有限公司,工程水密封技術20年,技術的可靠性和耐久性得到了全國各地項目和時間的驗證。電話:400-0371-713m.zdweidun.com.cn








